


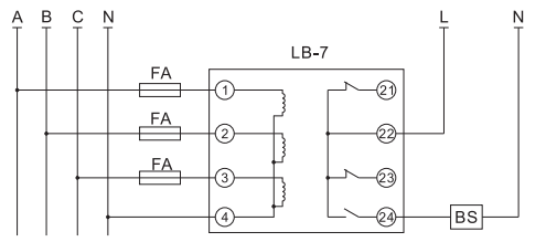
保护功能
缺相时闭锁保护
额定电压
100V
额定功率
50Hz
动作时间
不大于15ms
触点容量
8A,250V
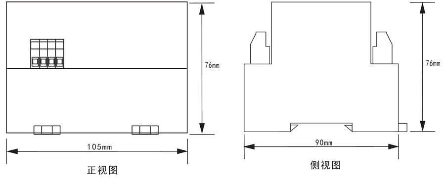
安装方式
35mm导轨条安装

额定电压值
AC/DC:110V,220V
接通触点容量
800彩票DC:2220V(10A)
断开触点容量
DC:2220V(τ=5ms) 50W
动作延时
不大于15ms
返回延时
800彩票分闸≤15ms,其它回路15ms~3s可调。
动作电压
交流≤75%,直流≤70%
触点形式
1开1闭、2常开、2常闭
整定范围
2~99.9A(极差0.1A)
辅助电源
无需辅助电源
返回系数
0.85~0.95
安装结构
凸出式固定、凸出式插拔、嵌入式插拔
接线方式
凸出式前接线、凸出式后接线、板前/板后接线
AC辅助电源
110V、220V
DC辅助电源
110V、220V
启动方式
800彩票电压启动、电流启动可选
动作时间
不大于15ms
复归类型
800彩票正极复归、负极复归可选
安装方式
嵌入式面板安装(板后接线)