



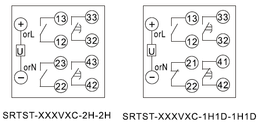
产品型号:SRTST-220VDC-2H-2H-C时间继电器
延时类型:通电延时带瞬动继电器
延时触点:2常开
瞬动触点:2常开
800彩票
额定电压:DC220V

| 延时代码 | A | B | C | D |
| 延时范围 | 0.3秒~3分钟 | 0.3秒~6分钟 | 0.5秒~30分钟 | 1秒~60分钟 |

| 额定参数 | |
| 直流额定电压 | 24V、110V、220V可选 |
| 交流额定电压 | 110V、220V可选 |
| 直流动作电压 | ≤70%额定电压 |
| 交流动作电压 | ≤75%额定电压 |
| 延时范围 | 0.3秒~3分、0.3秒~6分、0.5秒~30分、1秒~60分 |
| 延时精度 | ±10%(较大延时整定值<1秒时) |
| 返回时间 | ≤20mS |
| 功耗 | ≤5W |
| 安装方式及接线 | |
| 安装结构 | 导轨安装 |
| 接线方式 | 端子排接线 |
| 绝缘性能 | |
| 绝缘电阻 | 继电器外壳与外露带电端子之间用开路电压500V的兆欧表测量,绝缘电阻不小于10MΩ |
| 绝缘耐压 | 继电器外壳与外露带电端子之间能耐受2KV(有效值)50Hz试验电压,历时1分钟,无击穿或闪络现象 |
| 环境条件 | |
| 环境温度 | -15℃~55℃ |
| 工作电压 | 不大于120%额定电压 |
| 工作位置 | 任意 |
| 周围磁场强度 | 小于0.5mT |
| 环境相对湿度 | 不大于90% |
| 大气压力 | 80~110KPa |
| 温度 | -25℃~+70℃ |
| 海拔高度 | 不大于2500 米 |




